Ersatzteilkatalog
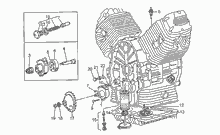
MOTOR
RAHMEN
Zündung Digiplex
Luftfilter
Vorderrad
Elektrische Anlage
Suitcase kit
Elektrische anlage I
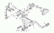
Schwinge
Fussrasten - Ständer
Lenker
Verkleidung
Vorderradbremspumpe
Vorderradgabel
Hinterradbremspumpe
Instrumententafel
Hinterrad
Teilerradsatz
Aufbau
Rücklicht
Bremszange
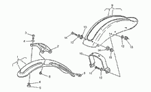
Schutzbleche vo.-hi.
Stroboskopleuchte VAMA
Scheinwerfer-Hupe
"Sonora"- Zweitonsirenen
Fahrgestell/Karosserie
Einspeisung
Elektrische Anlage "Digiplex"
Aufhängung Vorn-Hinten
Hinterleuchten
Elektrische Anlageeinspritzung
Auslassgruppe
Einspeisung
Auslassgruppe
Elektrische anlage I






The information below is required for social login
Anmelden
Neuen Account erstellen