Ersatzteilkatalog
Tafeln
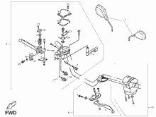
Lenkstange - Schaltungen
Vorderrad
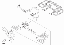
Gepäckträger
Hinterrad
Zylind. - Kopf - Kolb.
Fahrgestell/Karosserie
Lichtmaschine
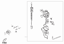
Vergaser
Instrumente
Tank
Übersetzung
Vorderradkotflügel
Vorderradgabel
Schwinge - Stoßdämpfer
Auslassgruppe
Zubehör
Trommel
Getriebe
Zubehör
Zubehör
Zubehör
Zubehör
Anlaßmotor
Vergaser
Zubehör
Auslassgruppe
Kupplung
Interne Schaltsegmente
Ölpumpe
Auslassgruppe
Ölkühler
Vergaser
Motor gheäuse
Auspuffrohr
Führungsrolle
Führungsrolle
Hinterradbremse
Hinterradbremse
Hinterradbremse
Lenker
Lenker
Schaltgabel
Motor gheäuse
Motor gheäuse
Vorderrad
Vorderrad
Interne Schaltsegmente






The information below is required for social login
Anmelden
Neuen Account erstellen