Ersatzteilkatalog
Motor
Auspufftopf
Drosselkörper - Einspritzdüse – Ansaugstutzen
Einhait Kopf - Ventil
Einheit Zylinder-Kolben-Kolbenbolzen
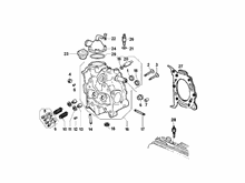
KURBELGEHÄUSE
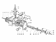
Kurbelwelle
Kurbelwelledeckel - Kühlung kurbelgehäuse
Lichtmaschine
Luftfilter
Schwinghebelhalterung
Schwungraddeckel - Ölfilter
Starter - Elektrischer starter
Ölpumpe
Wasserpumpe
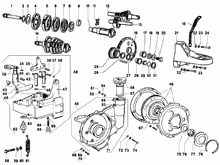
Hinterachsantrieb
Schaltgetriebe
Motor komplett
Durchflussregler






The information below is required for social login
Anmelden
Neuen Account erstellen