Ersatzteilkatalog
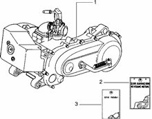
Motor
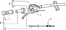
Bremsanlage - Bowdenzüge
Lenker/Lenkung
Elektrische Anlage
Fahrgestell - Plastformteil - Karosserien
Wechselrad
Klühlhaube-hauptlager
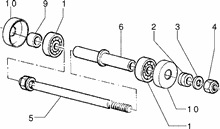
Kurbelwelle-pleuelstange-kurbelzapfen einheit
Schaltgabel
Lichtmaschine
Stoßabfangendes vorgelegerad
Befestigung schaltsegment
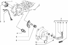
KURBELGEHÄUSE
Kupplung
Kurbegehäusebefest.
Frisch÷lautomatik
LÜFTERGEHÄUSEDECKEL-Motorschutz
Elektronische zündvorrichtung
Motor
Einheit Zylinder-Kolben-Kolbenbolzen
Kupplungsdeckel
Starterhebel






The information below is required for social login
Anmelden
Neuen Account erstellen