Ersatzteilkatalog

  1. Ersatzteilkatalog
  2. Vespa
  3. Vespa GT 125
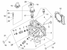
  4. Vespa GTV 125 4T NOABS E3 2006 (EMEA)

Maintenance